太阳能板供电的锂电池充电管理芯片CN3163
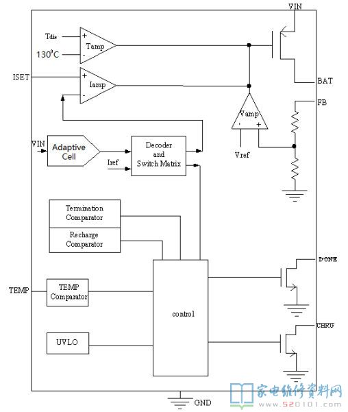
CN3163是上海如韵电子出品的一款可以用太阳能板供电的单节锂电池充电管理芯片。它的内部包括功率晶体管,应用时不需要外部的电流检测电 阻和阻流二极管。内部的充电电流自适应模块,能够根据输入电压源的电流输出能力自动调整充电电流,用户不需要考 虑最坏情况,可最大限度地利用输入电压源的电流输出能力,非常适合利用太阳能板等电流输出能力有限的电压源供电的 锂电池充电应用。
CN3163只需要极少的外围元器件,并且符合USB总线技术规范,非常适合于便携式应用的领域。热调制 电路可以在器件的功耗比较大或者环境温度比较高的时候将芯片温度控制在安全范围内。内部固定的恒压充电电压为4.2 V,也可以通过一个外部的电阻调节。充电电流通过一个外部电阻设置。当输入电压掉电时,CN3163自动进入低功耗的睡 眠模式,此时电池的电流消耗小于3微安。其它功能包括输入电压过低锁存,自动再充电,电池温度监控以及充电状态/充 电结束状态指示等功能。 CN3163采用散热增强型的8管脚小外形封装(SOP8)工艺。

一、CN3163功能和特性
* 内部集成有充电电流自适应模块,能够根据输入电压源的电流输出能力自动调整充电电流
* 可利用太阳能板等输出电流能力有限的电压源供电的锂电池充电应用
* 输入电压范围:4.4V 到 6V
* 片内功率晶体管
* 不需要外部阻流二极管和电流检测电阻
* 恒压充电电压4.2V,也可通过一个外部电阻调节
* 可作为电压源使用
* 为了激活深度放电的电池和减小功耗,在电池电压较低时采用涓流充电模式
* 可设置的持续恒流充电电流可达1A
* 采用恒流/恒压/恒温模式充电,既可以使充电电流最大化,又可以防止芯片过热
* 电源电压掉电时自动进入低功耗的睡眠模式
* 充电状态和充电结束状态双指示输出
* C/10充电结束检测
* 自动再充电
* 电池温度监测功能
* 无铅SOP8封装
二、CN3163引脚功能


三、CN3163内部方框图

四、CN3163典型应用电路
1、恒压充电电压 4.2V

2、利用外接电阻调整恒压充电电压


