太阳能热水器自动电子控制器
太阳能热水器常装设在楼房的顶部,使用前一般先打开自来水阀,待水从排气溢水口流出时才关掉自来水,这样既浪费水源,又操作不便,本文介绍一种太阳能热水器自动电子控制器,只要有阳光照射,不必开关水阀就能保证按时用水。如图1、2所示。


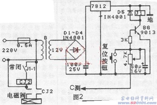
一、装设探头按图1的位置,在热水器排气管及进出水管上用φ4的钻头在钢管上钻两眼,取单芯铜塑线5cm长两节,使铜芯裸0.5cm长,分别塞进AB两管眼内一小半作为水位探头,注意铜线与水管绝缘良好,以防控制器误动作,用树脂胶粘固以干后不漏水为止。
二、工作原理
接通电源,三极管BG基极经CJ2-1测得A点无水时,BG截止,继电器J1常闭触点J1-1接通,接触器CJ2线圈得电,接触器吸合,电磁阀打开。当水位上升到B点时,BG饱和导通,继电器J1吸合,J1—1断开,cj2线圈失压,电磁阀关闭。当水位线低于B点时,BG基极电流经CJ2—1常闭触点接通,BG继续饱和导通,电磁阀关闭,待水位降至A点以下时,电路恢复原来状态。
三、元件的选择及注意事项
变压器用5—10W 12伏,二极管D1-D5用1N4001,三端稳压用7812,三极管用9013,继电器用JRX-13F,电磁阀用KXD—A 220伏,接触器为CJ10-5,按钮用LA19。全部元件装好后,固定在小盒内,安放到浴室外面,以防水雾使控制器误动作。每次用水后,按下复位按钮,即可补充进水,当水位上升到B点时自动停止进水,加热备用。

