太阳能不间断电源设计
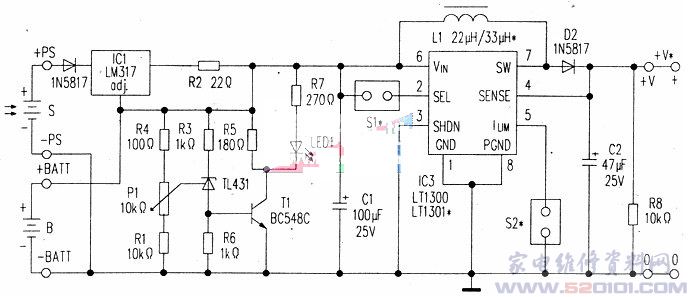
利用太阳能对电池的充电形成不间断直流电压输出是本电路的特点,该电路由恒流充电器(IC1)、过充电保护电路(IC2与T1)和线性开关稳压器(IC3)组成。
恒流充电器IC1的极限电流为60mA,一旦发生对电池B的过充电(如在充足太阳光照射下或负载电流较小时),电池电压上升,则P1滑动端电压升高,经可调稳压器IC2进行控制,使T1饱和导通,经R5与R7旁路部分或全部电流到地,LED1发光,防止过充电的发生。稳压器IC3的输出电压、电流与选用型号(LT1300或LT1301)和跳线接口S1与S2状态有关。
如附表所示,当S1接上跳线时可获得+5V(LT1300)或+12V(LT1301)的直流电压输出。当S1未接跳线时可获得+3.3V(LT1300)或+5V(LT1301)的输出,同样S2接上跳线或未接跳线可得到400mA或1A的输出电流。

采用镍氢充电电池。IC3用LT1300时应使用两个1.2V的电池。用LT1301时应使用三个电池。太阳能电池S输出电压9V、输出电流100mA.扼流圈L1应在800mA时不会饱和,其值在附表中已经标明,D1和D2为肖特基快恢复二极管。
电路调试时首先将太阳能极板与充电电池断开,并用可调稳压电源代替电池,在可调电源的输出端接上电压表,如采用LT1300(使用两个1.2V充电电池),将可调电源输出置于3.2V。调整P1直到LED1亮为止,若用LT1301(采用三个1.2V充电电池),将可调电源置于4.8V,同样调节P1直到LED1亮为止。


