太阳能电池的夜间警示灯电路
用本电路制作的夜间警示灯,使用方便,维护简单,白天太阳能电池给蓄电池充电,夜间警示灯自动工作。电路原理如下图所示,电路由警示灯电路及太阳能充电器两部分组成。

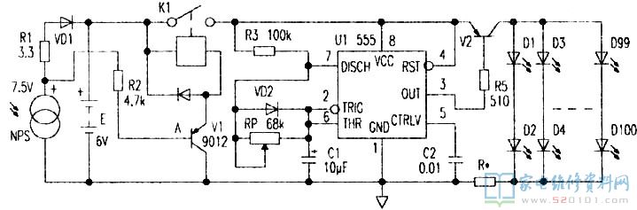
白天太阳能电池通过VD1给蓄电池E充电。电路中A点通过电阻R2接在太阳能电池正极,三极管V1截止,常开继电器触点断开,由555集成电路及高亮度红色发光二极管等组成的警示灯电路不工作。夜间无光照,太阳能电池不工作,由于太阳能电池不工作时会吸收外部电流,此时,三极管V1导通,继电器K1触点吸合,警示灯电路得电,555输出脉冲电信号,经三极管V2,驱动高亮度红色发光二极管闪烁,产生警示信号。555、R3、VD2、电位器RP以及C1构成多谐振荡器电路,电位器RP可以调节555输出脉冲宽度,即发光二极管发亮的时长。冬季日照时间短,蓄电池储能相对较少,可调节RP使发光管发亮的时间短一些。R5为限流电阻,实际应用中,根据情况选择合适的阻值,使警示灯电路夜间总的工作电量不超过太阳能电池给蓄电池充的电量。
本电路采用多个高亮度发光二极管,双管串联再并联,每只发光二极管的工作电流按20mA计算,总的工作电流为500mA,555输出的脉冲信号占空比为1:2,这样一晚(以12小时计)警示灯仍能工作。选用型号为NPS152x457的硅太阳能电池,其额定工作电流为330-467mA,额定电压为7.5V。二极管VD1选用锗二极管,尽量提高太阳能电池的充电效率。继电器选用低电压小电流的型号。V2选用中功率三极管。
若增加发光二极管的数量,应相应地选用额定电流较大的太阳能电池和蓄电池。由于此电路适用于户外工作,因此,安装使用时应注意密封。

