太阳能闪光灯
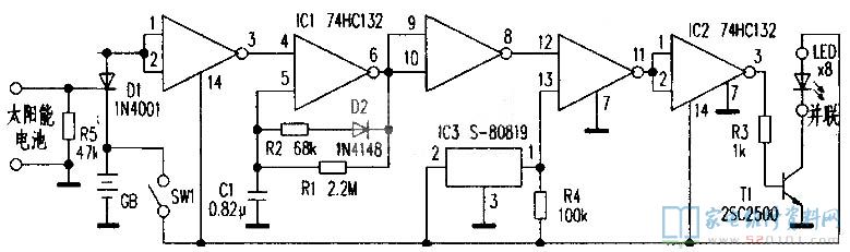
这是一款1ED闪光灯电路,它白天不闪光,利用太阳能电池给蓄电池充电,晚上由蓄电池供电。发出闪光。适用于临时施工现场等场合作警示灯。闪光电路:由IC1的与非门构成RC振荡器。
如果没有图中的R2及D2。这个振荡器的占空比为50%,1ED闪光时将消耗较多电能。追加了R2、D2后。就可改变R2的阻值来调整占空比。当。R2为68kΩ时,占空比约为5%,R2为33kΩ时,占空比约2.5%。

LED驱动电路:振荡信号从IC1的⑧脚输出到(12)脚,过放电检测电路的信号从IC3的①脚输出到1C1的(13)脚:当蓄电池不在过放电状态时,IC1的(13)脚为高电平,IC2的③脚将输出与IC1⑧脚相同的振荡信号。在信号的高电平时段。驱动T1导通使1ED发光。如果蓄电池处于过放电状态,则IC1的(13)脚为低电平,则(11)脚为高电平,IC2的③脚将是低电平,使T1截止,1ED不亮。
过放电防止电路:过放电检测选用复位专用集成电路S-80819,当其②脚(输入端)与地间的电压低于1.9V时,其输出端①脚为低电平。即IC1的(13)脚为低电平。1ED不能点亮。当IC3的②、③脚间电任超过2.0V(1C3内部有0.1V的滞后)时。过放电状态解除,其输出端①处于开路状态。由于上拉电阻R4的存在而呈高电平。
昼夜判别电路:利用太阳能电池的输出电压来判断。白天时,太阳能电池的电压高于IC1的阈值,IC1③脚为低电平,振荡器停振,1ED不闪光,与太阳能电池并联的R5用以调整昼夜判别的灵敏度,并可防止异常振荡。
太阳能电池选多结晶硅材料的电池板,最大输出电压4.7V、最大输出电流95mA;蓄电池为4W2.5Ah;DI为充电防逆流二极管;1ED为八只高亮发光二极管并联;IC1和IC2采用2输入四与非施密特触发器74HC132,不用的与非门应将其两个输入端短路后接至电源“+”端。

