太阳能1W LED灯
本文笔者邮购了一只1W白光LED,用手机电池一试,真亮,于是决定用其自制一个小台灯。
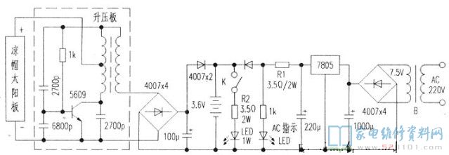
用酒杯状的乳白色塑料瓶盖做灯罩,从LED散热板(自带的)后面引出正,负两根线,穿过灯罩.经过弯管引入灯座,灯的形状就出来了。为了充电方便,使用了太阳能板。笔者有一块太阳能凉帽的太阳能板,电压太低,只能充一节电池,为此,笔者增加了升压板。为了在阴雨天使用,增加了交流充电,并可在交流供电情况下点亮LED灯。电路原理见下图。
此LED的端电压为3.2V、额定电流350mA,经实验,4.8V仍可正常工作,关键是限流在350mA左右。

升压板是从6V应急灯旧板上裁剪下来的振荡电路,未作任何修改(见图中虚线框内,然后经桥式整流提供充电电流。笔者认为灭蚊拍、电子点火器、验币器等振荡电路,小作修改,也能变通使用。电池用三节五号1800mAh镍氢电池,夏天不用阳光直接照射太阳板,在较明亮处即可充电。交流充电提供4.3V充电电压,约350mA充电电流。假如使用三节五号镍镉电池,限流电阻R1应改为8Ω-10Ω,以减小充电电流,避免损坏电池。

